Craftsman Belt And Disc Sander Parts . here are the diagrams and repair parts for official craftsman 137215360 4 x 36 belt/disc sander, as well as links to. when your craftsman belt & disc sander isn't working as it should, find the replacement parts you need to fix the sander at sears. find the craftsman palm sander parts and craftsman belt sander parts you need to fix any power sander problem at sears. shop oem replacement parts by symptoms or model diagrams for your craftsman 11322580 belt and disc sander! the official craftsman parts you need to repair your belt or drum sander. shop for genuine craftsman sander from top manufacturers. Easily filter our craftsman sander to find the exact replacement you.
from www.kmart.com
the official craftsman parts you need to repair your belt or drum sander. find the craftsman palm sander parts and craftsman belt sander parts you need to fix any power sander problem at sears. when your craftsman belt & disc sander isn't working as it should, find the replacement parts you need to fix the sander at sears. here are the diagrams and repair parts for official craftsman 137215360 4 x 36 belt/disc sander, as well as links to. shop oem replacement parts by symptoms or model diagrams for your craftsman 11322580 belt and disc sander! shop for genuine craftsman sander from top manufacturers. Easily filter our craftsman sander to find the exact replacement you.
Craftsman 3/4 hp 6" x 9" Belt/Disc Sander (22500)
Craftsman Belt And Disc Sander Parts here are the diagrams and repair parts for official craftsman 137215360 4 x 36 belt/disc sander, as well as links to. the official craftsman parts you need to repair your belt or drum sander. when your craftsman belt & disc sander isn't working as it should, find the replacement parts you need to fix the sander at sears. shop for genuine craftsman sander from top manufacturers. Easily filter our craftsman sander to find the exact replacement you. find the craftsman palm sander parts and craftsman belt sander parts you need to fix any power sander problem at sears. here are the diagrams and repair parts for official craftsman 137215360 4 x 36 belt/disc sander, as well as links to. shop oem replacement parts by symptoms or model diagrams for your craftsman 11322580 belt and disc sander!
From www.ereplacementparts.com
Craftsman 900117230 Belt Sander OEM Replacement Parts From Craftsman Belt And Disc Sander Parts shop for genuine craftsman sander from top manufacturers. the official craftsman parts you need to repair your belt or drum sander. find the craftsman palm sander parts and craftsman belt sander parts you need to fix any power sander problem at sears. shop oem replacement parts by symptoms or model diagrams for your craftsman 11322580 belt. Craftsman Belt And Disc Sander Parts.
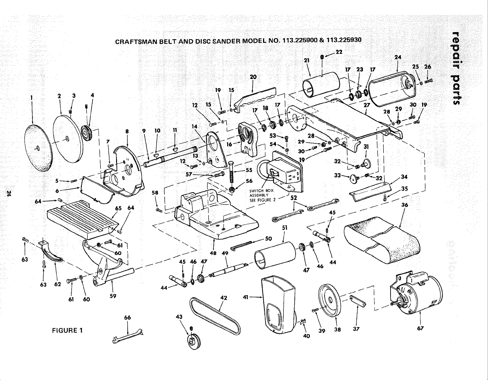
From usermanual.wiki
Craftsman 113226431 User Manual BELT AND DISC SANDER Manuals Guides Craftsman Belt And Disc Sander Parts shop for genuine craftsman sander from top manufacturers. Easily filter our craftsman sander to find the exact replacement you. when your craftsman belt & disc sander isn't working as it should, find the replacement parts you need to fix the sander at sears. find the craftsman palm sander parts and craftsman belt sander parts you need to. Craftsman Belt And Disc Sander Parts.
From usermanual.wiki
Craftsman 113226431 User Manual BELT AND DISC SANDER Manuals Guides Craftsman Belt And Disc Sander Parts shop for genuine craftsman sander from top manufacturers. shop oem replacement parts by symptoms or model diagrams for your craftsman 11322580 belt and disc sander! here are the diagrams and repair parts for official craftsman 137215360 4 x 36 belt/disc sander, as well as links to. find the craftsman palm sander parts and craftsman belt sander. Craftsman Belt And Disc Sander Parts.
From www.walmart.com
Craftsman 31511720 3" Belt Sander OEM Replacement Belt Craftsman Belt And Disc Sander Parts Easily filter our craftsman sander to find the exact replacement you. shop for genuine craftsman sander from top manufacturers. here are the diagrams and repair parts for official craftsman 137215360 4 x 36 belt/disc sander, as well as links to. find the craftsman palm sander parts and craftsman belt sander parts you need to fix any power. Craftsman Belt And Disc Sander Parts.
From axiom-northwest.com
Belt Sander Parts Diagram Craftsman Belt And Disc Sander Parts the official craftsman parts you need to repair your belt or drum sander. when your craftsman belt & disc sander isn't working as it should, find the replacement parts you need to fix the sander at sears. find the craftsman palm sander parts and craftsman belt sander parts you need to fix any power sander problem at. Craftsman Belt And Disc Sander Parts.
From wiki.lvl1.org
Craftsman Belt and Disk Sander LVL1 Craftsman Belt And Disc Sander Parts Easily filter our craftsman sander to find the exact replacement you. the official craftsman parts you need to repair your belt or drum sander. shop for genuine craftsman sander from top manufacturers. here are the diagrams and repair parts for official craftsman 137215360 4 x 36 belt/disc sander, as well as links to. find the craftsman. Craftsman Belt And Disc Sander Parts.
From westcoastbelts.com
*New Replacement BELT* for use with Sears Craftsman Disc Sander Model Craftsman Belt And Disc Sander Parts when your craftsman belt & disc sander isn't working as it should, find the replacement parts you need to fix the sander at sears. find the craftsman palm sander parts and craftsman belt sander parts you need to fix any power sander problem at sears. shop oem replacement parts by symptoms or model diagrams for your craftsman. Craftsman Belt And Disc Sander Parts.
From dxopgsnjb.blob.core.windows.net
How To Change The Belt On A Craftsman Belt Sander at William Schafer blog Craftsman Belt And Disc Sander Parts here are the diagrams and repair parts for official craftsman 137215360 4 x 36 belt/disc sander, as well as links to. when your craftsman belt & disc sander isn't working as it should, find the replacement parts you need to fix the sander at sears. shop oem replacement parts by symptoms or model diagrams for your craftsman. Craftsman Belt And Disc Sander Parts.
From usermanual.wiki
Craftsman 113225930 User Manual SEARS BELT AND DISC SANDER Manuals Craftsman Belt And Disc Sander Parts shop for genuine craftsman sander from top manufacturers. Easily filter our craftsman sander to find the exact replacement you. find the craftsman palm sander parts and craftsman belt sander parts you need to fix any power sander problem at sears. shop oem replacement parts by symptoms or model diagrams for your craftsman 11322580 belt and disc sander!. Craftsman Belt And Disc Sander Parts.
From usermanual.wiki
Craftsman 113226423 User Manual BELT AND DISC SANDER Manuals Guides Craftsman Belt And Disc Sander Parts shop for genuine craftsman sander from top manufacturers. Easily filter our craftsman sander to find the exact replacement you. when your craftsman belt & disc sander isn't working as it should, find the replacement parts you need to fix the sander at sears. shop oem replacement parts by symptoms or model diagrams for your craftsman 11322580 belt. Craftsman Belt And Disc Sander Parts.
From usermanual.wiki
Craftsman 137215280 User Manual 2 X 42 BELT/DISC SANDER Manuals And Craftsman Belt And Disc Sander Parts shop oem replacement parts by symptoms or model diagrams for your craftsman 11322580 belt and disc sander! find the craftsman palm sander parts and craftsman belt sander parts you need to fix any power sander problem at sears. when your craftsman belt & disc sander isn't working as it should, find the replacement parts you need to. Craftsman Belt And Disc Sander Parts.
From www.ereplacementparts.com
Craftsman 3" Belt Sander 315117120 Craftsman Belt And Disc Sander Parts when your craftsman belt & disc sander isn't working as it should, find the replacement parts you need to fix the sander at sears. here are the diagrams and repair parts for official craftsman 137215360 4 x 36 belt/disc sander, as well as links to. shop for genuine craftsman sander from top manufacturers. find the craftsman. Craftsman Belt And Disc Sander Parts.
From www.ereplacementparts.com
Craftsman 10322350 6" Belt And Disc Sander Craftsman Belt And Disc Sander Parts find the craftsman palm sander parts and craftsman belt sander parts you need to fix any power sander problem at sears. shop oem replacement parts by symptoms or model diagrams for your craftsman 11322580 belt and disc sander! shop for genuine craftsman sander from top manufacturers. here are the diagrams and repair parts for official craftsman. Craftsman Belt And Disc Sander Parts.
From usermanual.wiki
Craftsman 113225930 User Manual SEARS BELT AND DISC SANDER Manuals Craftsman Belt And Disc Sander Parts here are the diagrams and repair parts for official craftsman 137215360 4 x 36 belt/disc sander, as well as links to. find the craftsman palm sander parts and craftsman belt sander parts you need to fix any power sander problem at sears. shop oem replacement parts by symptoms or model diagrams for your craftsman 11322580 belt and. Craftsman Belt And Disc Sander Parts.
From www.ebay.com
Craftsman 137.215360 4"x36" Belt Disc Sander 57054 eBay Craftsman Belt And Disc Sander Parts here are the diagrams and repair parts for official craftsman 137215360 4 x 36 belt/disc sander, as well as links to. shop oem replacement parts by symptoms or model diagrams for your craftsman 11322580 belt and disc sander! shop for genuine craftsman sander from top manufacturers. when your craftsman belt & disc sander isn't working as. Craftsman Belt And Disc Sander Parts.
From ozarktoolmanuals.com
Craftsman 351.286380 1" & 2" x 42" Belt 8" Disc Sander Operation Craftsman Belt And Disc Sander Parts find the craftsman palm sander parts and craftsman belt sander parts you need to fix any power sander problem at sears. shop oem replacement parts by symptoms or model diagrams for your craftsman 11322580 belt and disc sander! Easily filter our craftsman sander to find the exact replacement you. when your craftsman belt & disc sander isn't. Craftsman Belt And Disc Sander Parts.
From bid.beckauctions.com
Craftsman belt and disc sander and accessories Beck Auctions Inc. Craftsman Belt And Disc Sander Parts shop oem replacement parts by symptoms or model diagrams for your craftsman 11322580 belt and disc sander! the official craftsman parts you need to repair your belt or drum sander. here are the diagrams and repair parts for official craftsman 137215360 4 x 36 belt/disc sander, as well as links to. find the craftsman palm sander. Craftsman Belt And Disc Sander Parts.
From beltposter.blogspot.com
Craftsman 6x48 Belt And 9 Disc Sander Manual Belt Poster Craftsman Belt And Disc Sander Parts find the craftsman palm sander parts and craftsman belt sander parts you need to fix any power sander problem at sears. shop oem replacement parts by symptoms or model diagrams for your craftsman 11322580 belt and disc sander! shop for genuine craftsman sander from top manufacturers. Easily filter our craftsman sander to find the exact replacement you.. Craftsman Belt And Disc Sander Parts.